戶內高壓真空斷路器
浙江金高高壓電氣有限公司是一家電力設備專業制造企業,公司主要生產:戶內外高壓隔離開關、高壓負荷開關、高壓真空斷路器、接地開關、避雷器等系列產品。
服務熱線:+86-13806868199
郵 箱:jggy@jggy.cc
浙江金高高壓電氣有限公司是一家電力設備專業制造企業,公司主要生產:戶內外高壓隔離開關、高壓負荷開關、高壓真空斷路器、接地開關、避雷器等系列產品。

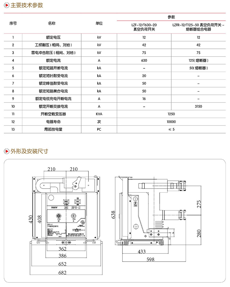
概 述
JGF(R)-12型系列中置固封式真空負荷開關-熔斷器組合電器(以下簡稱真空開關,是根據獨特的設計概念并結合市場需求而研發的最新一代真空開關設備,它廣泛應用于戶內鎧裝式空氣絕緣開關柜中。它符合GB3804-2004、GB16926-1997等標準的規定。在正常使用條件下,只要在真空開關的技術參數范圍內,它就可以保證安全、可靠地運行于相應電壓等級的電網中。
使用環境
1、環境溫度:最高溫度+40℃,最底溫度-25℃;
2、環境濕度:日平均相對濕度:≤95%,月平均相對濕度:1≤90%:
3、日平均飽和蒸汽壓:≤2.2×10-3MPa;
4、周平均飽和蒸汽壓:≤1.8×10-3MPa;
5、海拔高度:不高于1500m;
6、地震烈度:不超過8度:
7、使用場所:無滴水,無易燃和爆炸危險,無化學腐蝕性氣體無劇烈震動;
注:如產品使用環境條件超出以上規定,用戶可與我公司協商確定。
例 :JGR(R)-12/T125-50-AC220-275-210即表示訂購一臺配套800mm柜寬的組合電器,其額定電流為125A,短路開斷電流50KA,極間距275mm。
型號含義

阿里巴巴
關注網站
Copyright ? 2023 浙江金高高壓電氣有限公司. All Rights Reserved.備案號:浙ICP備2021037781號