戶內高壓真空斷路器
浙江金高高壓電氣有限公司是一家電力設備專業制造企業,公司主要生產:戶內外高壓隔離開關、高壓負荷開關、高壓真空斷路器、接地開關、避雷器等系列產品。
服務熱線:+86-13806868199
郵 箱:jggy@jggy.cc
浙江金高高壓電氣有限公司是一家電力設備專業制造企業,公司主要生產:戶內外高壓隔離開關、高壓負荷開關、高壓真空斷路器、接地開關、避雷器等系列產品。

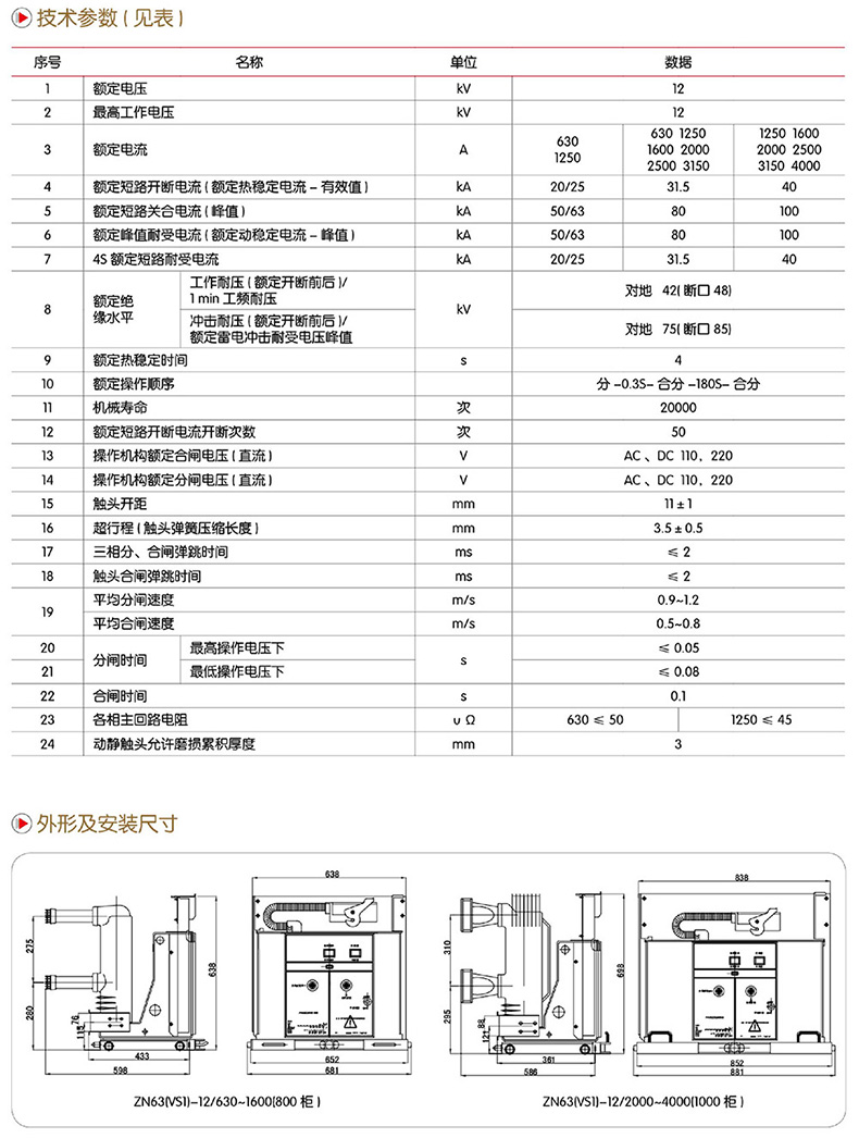
概 述
ZN63(VS1)-12系列戶內固封式高壓真空斷路器采用固體絕緣結構,利用先進的環氧固封技術,首次將真空滅弧室、主導電回路、絕緣支撐等有機地組合成為一個集成固封極柱。成功地從根本上解決了真空斷路器的環境耐受問題,使其應用更為廣泛。集成固封極柱采用了自對流專利通風技術,巧妙地解決了固體絕緣結構所帶來的散熱難問題。
ZN63(VS1)-12系列戶內高壓固封式真空斷路器是國內第一個實現免維護概念的斷路器。其高壽命的真空滅弧室以及環氧澆注固封技術的應用保證了集成固封極柱的免維護,同時還可配用高可靠性永磁操動機構保證了操動機構的免維護,電子控制部分棄傳統的輔助開關而代之以光電接近開關,并采用全電子化電源和智能控制單元保證了電子控制部分的免維護。
使用環境條件
1、環境溫度:不高于40℃,不低于-10℃(允許在-30℃時儲運)。
2、海拔高度:不超過2000m。(若需增高海拔,則額定絕緣水平相應提高)
3、相對濕度:日平均值不大于95%,飽和蒸汽壓日平均值不大于2.2x10-3MPa,月平均不大于1.8x10-.3MPa。
4、地震烈度:不超過8級。
5、無火災、爆炸、嚴重污穢、化學腐蝕及劇烈振動的場所。
型號含義

阿里巴巴
關注網站
Copyright ? 2023 浙江金高高壓電氣有限公司. All Rights Reserved.備案號:浙ICP備2021037781號